ジッタとその測定 その1

論理演算で使われるロジック信号は“ 1 ”、“ 0 ” /“ High ”、“ Low ”で表現されるデジタル信号です。
登場した頃はデータ・レートが遅かったこともあり、閾値(スレッショルド電圧)を基準に論理を取り込むロジック・アナライザがハードウエアの動作解析に使われました。

image-20241008142728860.png

図1 速度が遅かった頃のロジック信号

現在では単体のロジック・アナライザを目にすることはほとんどありませんが、オシロスコープの付属機能としてのロジック・チャンネル(ミックスド・シグナル・オシロスコープと呼ばれることが多い)にその機能が残っています。使用目的の多くは比較的速度の遅いI2C、SPIなどの制御に使われる低速シリアル信号の解析です。

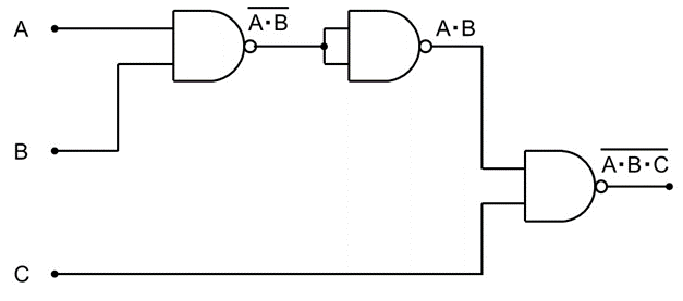
比較的速度の遅いロジック信号でも論理通りに動かないことがあります。図2はNANDゲートで構成した3入力のNANDです。

image-20241008142811398.png
図2 2入力のNANDゲートで作る3入力NAND

論理表は表1、タイミング・チャートは図3になります。

image-20241008143022160.png
表1 3入力NANDの論理表

image-20241008143034775.png
図3 3入力NANDのタイミング・チャート

ところで各NANDゲートには信号伝搬遅延があり、出力信号は遅れます。伝搬遅延を考慮すると図4のように予期しない信号が出力されることがあります。このため動作速度の速いゲートでは伝搬遅延を考慮した設計が行なわれてきました。

image-20241008143101733.png
図4 伝搬遅延によるグリッチの発生

このタイミング管理の問題としてはメモリにおける入力タイミング、セットアップ・タイムとホールド・タイムがあります。セットアップ・タイムとは取り込みクロックのエッジ・タイミング以前にデータ値が安定する時間、ホールド・タイムは取り込みクロックのエッジ以降にデータ値が保持される時間です。

image-20241008143129332.png
図5 メモリの動作を保証するセットアップ・タイムとホールド・タイム
現在では多くのオシロスコープの拡張トリガで違反を検出できるようになっています。

データ・レートの高速化に伴い、セットアップ・タイム/ホールド・タイムの条件が厳しくなってきたわけですが、合わせて信号のノイズ、さらに時間方向のブレ、ジッタが問題になってきました。図6のようにジッタにより、タイミング・マージンが狭くなっています。

image-20241008143339638.png
図6 高速ロジック回路で問題になるジッタ

ジッタを数値で測定するにはいくつかの方法があります。

(1) 周期変化を測定
オシロスコープで波形を単発で取り込みます。本来のエッジ位置は分かりませんから、パルスの周期を先頭から測定します。

image-20241008143439032.png

図7 ジッタの周期測定

(2) 周期の変化の差を求める
上記の測定結果から変化の差を測定します。

image-20241008143513243.png

図8 ジッタの周期変化の差

(3)理想タイミングからのずれを測定する
本来のエッジ位置を何らかの手法で求め、そこからのずれ、タイムインターバル・エラーを求めます。

image-20241008143551846.png
図9 理想エッジからのずれ