長いプローブが欲しい場合は?

ベンチで行う実験ではプローブの長さは1mあればほとんどの場合十分でしょう。事実、オシロスコープに付属されるプローブの長さはほとんど1.2m~1.5mです。しかし自動車内部の信号を取り出す場合などは、もっと長いプローブが欲しくなります。
 
オシロスコープ向けには多くのアクセサリ、プローブが発売されています。標準付属のプローブよりも長いプローブとしては以下のような商品があります。
写真1は横河計測のオシロスコープ、DLM3000/5000シリーズ用のプローブです。
701937は標準付属品で長さは1.3m、702907は別売で長さは約2倍の2.5mです。
ただし周波数帯域は500MHzから200MHzへダウン、入力容量は約10.5pFから約18pFへ増加しています。


写真1 横河計測のプローブ

周波数帯域のダウンは入力容量が10.5pF⇒18pFと増えたため、入力容量の増加はケーブル長が長くなったことが原因です。
図1のように10:1のパッシブ・プローブの同軸ケーブルは整合をとった伝送線路として動作していません。
このためケーブル長が長くになるに従い、ケーブルの寄生容量も大きくなります。
10:1パッシブ・プローブの原理からフラットな周波数特性を得るためにはプローブ先端の容量C1の容量は大きくなり、結果として入力容量が大きくなります。


図1 長いプローブの入力容量が増える理由

入力容量の増加が気になる場合は減衰比100:1の高圧プローブの活用が考えられます。
写真2は横河計測とテクトロニクスの高圧プローブです。
横河計測の701945は入力容量約7.5pF、テクトロニクスのP5100Aは約2.5pF、一般の10:1プローブより低い入力容量になります。
プローブ長も高電圧測定における安全性を考慮してそれぞれ3m、2mと長くなっています。
ただし減衰比が100:1になるため、オシロスコープの入力感度が5mV/dimにてプローブ先端では0.5V/divになります。小信号へは対応できなくなります。


写真2 減衰比100:1の高電圧プローブ

プローブの負荷効果を抑えたまま延長するには
このようにハイ・インピーダンスのパッシブ・プローブではケーブル長を延長することは困難です。
そこでアクティブ・プローブの活用が考えられます。

最近の多くのアクティブ・プローブは各メーカー専用のプローブ・インタフェース専用に作られているため、応用できるプローブはオシロスコープを選ばない汎用製品を使うことになります。
アクティブ・プローブはオシロスコープの入力インピーダンスを50Ωにて使用するため、プローブの出力とオシロスコープの入力間は50Ωの伝送線路になり、延長することが可能になります。

図2は横河計測のアクティブ・プローブ 700939とFETプローブ電源を使う例です。
プローブ電源はそのままではプローブの近くに置く必要があります。そのため電源コネクタに使われるLEMOコネクタで延長ケーブルを作成するか、±12Vのバッテリ電源を用意します。


写真2 減衰比100:1の高電圧プローブ

プローブの負荷効果を抑えたまま延長するには
このようにハイ・インピーダンスのパッシブ・プローブではケーブル長を延長することは困難です。
そこでアクティブ・プローブの活用が考えられます。

最近の多くのアクティブ・プローブは各メーカー専用のプローブ・インタフェース専用に作られているため、応用できるプローブはオシロスコープを選ばない汎用製品を使うことになります。
アクティブ・プローブはオシロスコープの入力インピーダンスを50Ωにて使用するため、プローブの出力とオシロスコープの入力間は50Ωの伝送線路になり、延長することが可能になります。

図2は横河計測のアクティブ・プローブ 700939とFETプローブ電源を使う例です。
プローブ電源はそのままではプローブの近くに置く必要があります。そのため電源コネクタに使われるLEMOコネクタで延長ケーブルを作成するか、±12Vのバッテリ電源を用意します。


図2 アクティブ・プローブを延長して使う例

絶対に使えない同軸ケーブルによる延長
別コラムで詳しく紹介していますが、図3のようにパッシブ・プローブの出力に同軸ケーブルを接続して延長することは減衰比1:1プローブを除いては不可です。


図3 使えない延長方法

同軸ケーブルの容量がオシロスコープの入力容量に並列に加わり、プローブの補正が行えません。

自作で対応する
もし断線などで使用していないプローブがあれば別コラムで解説するように部品を活用してプローブを作成できます。
長いプローブという要求とは別に、高温下でも使用できる、例えばエンジンに触れても溶けないプローブも200℃まで耐える同軸ケーブルは市販されていますので、このケーブルを使って任意の長さの10:1プローブを作成できます。

プリアンプで対応する
付属の10:1プローブを活用して延長する方法です。
プローブをバッテリで動作するプリアンプに接続、プリアンプの出力インピーダンスを50Ωにすればプリアンプ、オシロスコープ間は任意の長さの同軸ケーブルで接続できます。
プリアンプのゲインを10倍(20dB)とするとプローブ先端から1:1の減衰比が実現できます。


図4 プリアンプの応用

このようなバッテリ動作のプリアンプは残念ながらオシロスコープメーカーからは市販されていませんが、簡単な回路で作成することができます。
図5は試作例です。
プリアンプの入力抵抗、容量はオシロスコープと同様にするためにFET入力の高帯域オペアンプをゲイン10倍の非反転増幅器として使います。
バイポーラ入力のオペアンプや反転増幅器ではオシロスコープの同等の入力抵抗、容量が実現できません。


図5 20dBプリアンプの作成例

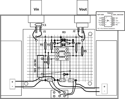
図6は配線例、写真3は9Vの電池(006P)を試作した作成例です。


図6 試作プリアンプの配線例


写真3 試作したプリアンプの内部

図7はUSB測定器からのパルス信号(立上り時間 40ns)に同じく周波数帯域30MHzのオシロスコープでプリアンプの入出力波形を観測した結果です。


図7 USB測定器によるプリアンプの性能評価

パルス信号の立上り、オシロスコープの周波数帯域が不十分なので、図8は立上り時間2nsのパルスと周波数帯域400MHzのオシロスコープと組み合わせたパルス応答結果です。市販のオペアンプを使った簡単な回路ですが、周波数帯域は立上り時間換算で約25MHzになります。


図8 パルス応答で性能確認

プロービングに対してはオシロスコープのメーカーに対応して欲しいところですが万全を期待することはできないようです。
このように簡単な創意工夫で対応できることも少なくありません。